如下圖所示,凡是通過設備測量AF間的電阻大小或AF/AB百分或AF電容大小(F點開路時)等來計算出故障距離的各種方法,我們都暫且稱它為電橋法(廣義的)。

圖:廣義電橋
A、B兩點代表電纜的兩端,F點為故障點,R為絕緣電阻,線AB可以是線芯也可以是金屬護層(測量護層故障時)。
在進行故障性質診斷時,所測得的絕緣電阻在50kΩ以下,就可以選用上述電橋法進行故障測距;對于護層故障,如果想測試故障距離,也可通過電橋法測量。
下面介紹直流電橋法原理與測試步驟。
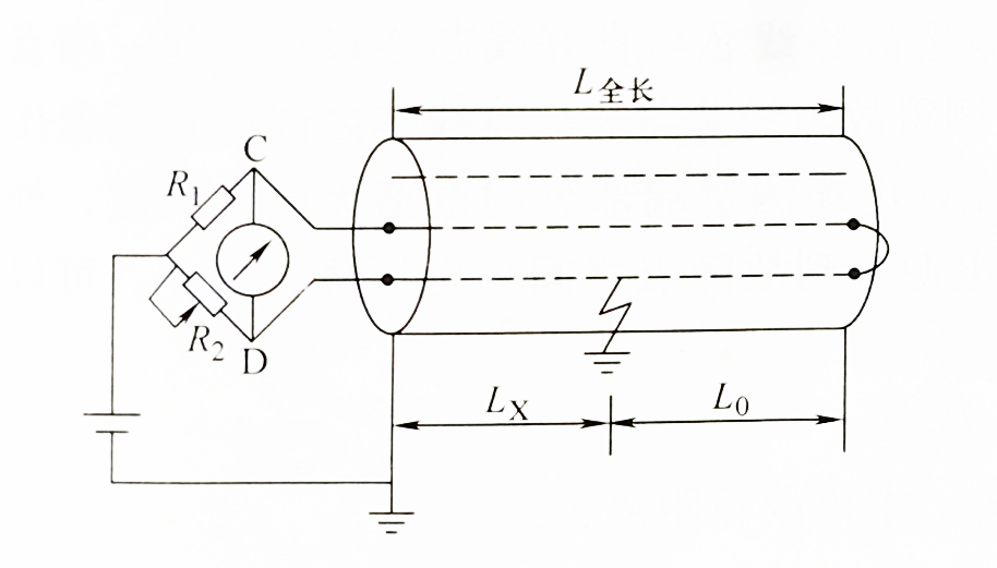
直流電橋法是一種傳統的電橋測試法。測試線路的連接如圖2所示,將被測電纜故障相終端與另一完好相終端短接,電橋兩臂分別接故障相與非故障相,其等效電路圖如圖3所示。

圖2直流電橋接線

圖 3直流電橋等效電路
仔細調節可變電阻R?數值,使電橋平衡,這時CD間的電位差為0,無電流流過檢流計,此時根據電橋平衡原理可得:R3/R4=R1/R2
R1、R2,為已知電阻,設:R1/R?=K,則R3/R4=K。
由于電纜直流電阻與長度成正比,設電纜導體電阻率為Ro,L全長代表電纜全長, Lx、L0,分別為電纜故障點到測量端及末端的距離,則R3可用(L全長+L0) R0代替,R4可用LxR0代替,根據公式R3/R4=R1/R2可推出:L全長+L0=KLx
而 L。=L全長-Lx
所以 Lx=2L全長/(K+1)
直流電橋法應用中的一個主要問題是,測量精度受測量導引線及接觸電阻影響,導引線及接觸電阻一般在0.01-0.1Ω之間,而高壓電纜線芯或護層電阻也基本是每公里在0.01-0.1Ω之間,因此如果沒有進一步的改進方法,導引線電阻及接觸電阻對測距結果會造成很大的影響。
Copyright ??西安光大百納電子科技有限公司 版權所有 陜ICP備19014074號-1
全國服務電話:13991193588 ? 傳真:029-89288537
公司地址:西安市科技路8號凱麗大廈